新闻动态

  • DC-YH系列高温氧化锆氧分析仪在某钢铁厂使用案例

    DC-YH系列高温氧化锆氧分析仪在某钢铁厂使用案例

    2022-05-27 江南官方站网页版_江南(中国)自控

  • 活套扫描仪的作用,如何工作的,工作不稳定因素及影响?

    KWZK-HT系列活套扫描仪的作用,如何工作的,工作不稳定因素及影响?

    2022-05-07 江南官方站网页版_江南(中国)自控

  • 机械工程师应懂的仪控知识

    机械工程师应懂的仪控知识

    2022-04-08 江南官方站网页版_江南(中国)

  • 调节阀组态设置问题的故障维修知识

    故障现象描述: 工艺人员反映调节阀SP设定值最高只能给到68,最低只能开到15,不能满足操作需求。

    2022-04-07 江南官方站网页版_江南(中国)

  • 调节阀阀门动作波动故障维修知识

    故障现象描述: 阀门开度一定位置时会出现上下喘动,幅度为总行程1%

    2022-04-04 江南官方站网页版_江南(中国)

  • 氩中微量氮分析仪故障维修

    工作原理 Ar 中微量N2 分析仪用于测量高纯氩气中0~100ppm 的杂质氮.该设备用于高纯气体,不许杂质(如O2、CH4、H2、CO、H2O 等)进入.若有杂质进入,虽不会损坏电离池,但会临时削弱仪表的精确度和稳定性.这时需通入纯净气体,仪表会恢复正常且通常不用再校验. 氩气在背压为大气压的状态下流经石英电离池,该池内充满高频,高强度的电磁场.K2001 采用分光原理,通过频率,强度,校验以及耦合技术和调焦电极来保持等离子区的稳定.电光感应等离子区,等离子区收集充电粒,等离子区由氩气流组成.氩气一旦被电离,将会发出许多条光谱.电子或离子因碰撞产生激发态,气体原子或分子在电场中被电子和离子的动能加速而产生了发光现象.通过滤光片的光被光电二极管检测,并形成电流信号,此电流与氩中氮的含量成比例.光电二极管产生的电流进入一个带低通电流开关的收集器,然后进入有精密浮点程序的前置放大器,最后进入模拟-数字转换器.微处理读取这些数字信号,并通过计算把它换成ppm 数值.微处理器板再把此ppm 值变成模拟的4-20mA 隔离输出,以便传输至远程的PLC,计算机或记录仪. 微处理器还处理用户通过仪表键盘输入的功能键和有效数据.这些数据显示在4×40 字符的显示器上.微处理器还控制流量的PID 调节.

    2022-03-29 江南官方站网页版_江南(中国)

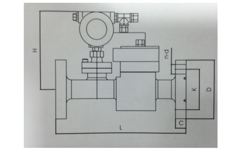
  • 高压流量自控仪

    高压流量自控仪

    2022-03-22 江南官方站网页版_江南(中国)

  • PID控制简述集合

    尽管不同类型的控制器,其结构、原理各不相同,但是基本控制规律只有三个:比例(P)控制、积分(I)控制和微分(D)控制。这几种控制规律可以单独使用,但更多场合是组合使用。如比例(P)控制、比例-积分(PI)控制、比例-积分-微分(PID)控制等。

    2022-03-22 江南官方站网页版_江南(中国)

上一页1234下一页 转至第
首页
产品
新闻
联系