熔融指数分析仪使用说明
2022-03-23 江南官方站网页版_江南(中国)
酸碱度计使用说明
重整再生氧含量分析仪使用说明
聚丙烯微量氧分析仪使用说明
色谱分析仪使用说明ABB
丙烯分析仪使用说明
COD分析仪使用说明
2022-03-22 江南官方站网页版_江南(中国)
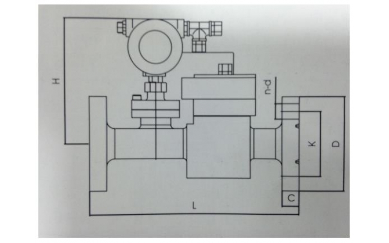
高压流量自控仪