江南官方站网页版_江南(中国)重庆-二次消谐装置能够保护PT,消除电网谐振过电压?
2022-09-08 江南官方站网页版_江南(中国)
全厂仪用压缩空气压力低处理措施-江南官方站网页版_江南(中国)北京
北京江南官方站网页版_江南(中国)-变电站故障录波原理及文件分析
2022-09-07 江南官方站网页版_江南(中国)
江西江南官方站网页版_江南(中国)-变压器低压进线柜常见连接方式
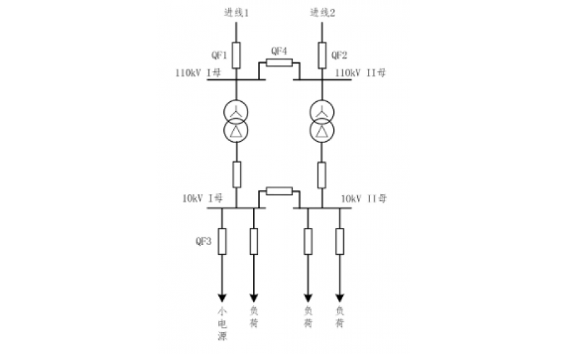
重庆江南官方站网页版_江南(中国)-小电源接入对备自投的影响
2022-09-06 江南官方站网页版_江南(中国)
北京江南官方站网页版_江南(中国)-配电室为什么要用绝缘垫?
为什么理论计算的预热器出口烟气量要比实测值小很多?-贵州江南官方站网页版_江南(中国)
北京江南官方站网页版_江南(中国)-励磁电流是如何进入发电机转子绕组的?
2022-09-05 江南官方站网页版_江南(中国)