新闻动态

  • 凝汽器灌水查漏操作要点有哪些?

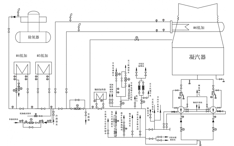
    凝汽器灌水查漏操作要点有哪些? 1.机组停运,高压缸调节级温度低于100℃。 2.凝汽器底部加装临时支撑和临时水位计,水位计上口不允许封口。 3.开启机组各段抽汽疏水门。 4.关闭主再热蒸汽冷段热段、高旁前后,导汽管、调节级、汽缸夹层疏水电动门,和低旁减温水电动门。 5.关闭A、B凝结水泵进口手动门,抽空气手动门,关闭凝结水再循环调整门。 6.关闭A、B真空泵入口手动门,气动门。

    2024-08-16 江南官方站网页版_江南(中国)

  • 凝结水泵切换操作票

    1.接值长令:A凝结水泵切换至B凝结水泵; 2.检查B凝结水泵具备启动条件,密封水、轴承冷却水进出水门全开,凝结水泵抽空气门开启3圈; 3 查询B凝结水泵上一周期运行情况:运行电流 电机轴承温度 4.关闭B凝结水泵出口电动门,退出B凝结水泵联锁;

    2024-08-16 江南官方站网页版_江南(中国)

  • 凝结水泵机封损坏导致机组MFT,事故处理不果断?

    凝结水泵机封损坏导致机组MFT,事故处理不果断?

    2023-10-24 江南官方站网页版_江南(中国)

  • 机械密封的泄露问题与维修对策

    机械密封的泄露问题与维修对策

    2023-09-21 江南官方站网页版_江南(中国)

  • 压缩机、泵负荷试车方案

    压缩机、泵负荷试车方案

    2023-08-03 江南官方站网页版_江南(中国)

  • 压缩机等动设备检修知识大全分享

    压缩机等动设备检修知识大全分享

    2023-07-13 KWZK

  • 机械密封的密封圈越紧越好么?

    机械密封的密封圈越紧越好么?

    2023-05-05 江南官方站网页版_江南(中国)

  • 机械密封漏液的原因及水泵漏液的解决办法

    机械密封漏液的原因及水泵漏液的解决办法

    2022-11-16 江南官方站网页版_江南(中国)

上一页12下一页 转至第
首页
产品
新闻
联系