新闻动态

  • 气动调节阀关闭不到位的原因分析

    信号问题 阀门控制信号的传输存在问题,可能是信号线路故障,或者控制系统中的传感器、变送器等设备故障。

    2025-07-07 江南官方站网页版_江南(中国)

  • 控制阀阀后流速控制在多少合适?

    控制阀阀后流速的“合适”范围取决于多种因素,没有绝对统一的标准。主要考虑因素包括:

    2025-07-02 江南官方站网页版_江南(中国)

  • 电动阀门故障排除分享

    电动阀门作为关键工业控制设备,广泛应用于大口径管道系统(DN≥300mm)及高扭矩需求的工况场景。根据API598阀门测试标准,此类系统多配置蝶阀(Butterfly Valve)或闸阀(Gate Valve)与电动执行机构协同工作。本次事故涉及某厂电动阀门的阀体机械性损坏事件。

    2025-05-15 江南官方站网页版_江南(中国)

  • 阀门定位器调试步骤

    阀门定位器的基本组成:电子行程传感器系统、模拟电/气转换系统、带微处理器的电子单元。其显示屏显示符号含义和各按钮作用在以下几图中详细介绍。

    2025-04-30 江南官方站网页版_江南(中国)

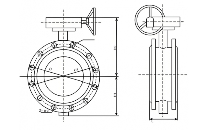
  • 三偏心蝶阀介绍

    蝶阀回转轴线(即阀杆轴线) 与蝶板密封面偏置一个尺寸a,并与阀体通道轴线偏置一个尺寸b, 阀座回转轴线与阀体通道轴线形成一个β角度。故形成三偏心。

    2025-02-24 江南官方站网页版_江南(中国)

  • 双偏心蝶阀介绍

    蝶板回转轴线(即阀杆轴线与蝶板密封截面偏置一个尺寸a,并与阀体通道轴线偏置一个尺寸b,由于在单偏心密封蝶阀的基础上将蝶板回转轴线与阀体通道轴线再偏置一个尺寸b,当双偏心蝶阀处于全开状态时,其蝶板密封面会完全脱离阀座密封面,并形成更大的间隙y,使蝶板的回转半径分为长半径和短半径,在长半径转动的大半圆上,蝶板密封面转动轨迹的切线会与阀座密封面形成一个θ角,在阀门启闭时,蝶板密封面相对阀座密封面有一个渐出脱离和渐入挤压的作用,从而降低了启闭时蝶板和阀座之间的机械磨损和擦伤。

    2025-02-24 江南官方站网页版_江南(中国)

  • 单偏心蝶阀介绍

    蝶板的回转中心(即阀杆中心) 位于阀体中心线上, 且与蝶板密封截面形成一个偏置尺寸a。使蝶板与阀座上的密封面形成一个完整的圆,加工时易保证蝶板与阀座的表面粗糙度。关闭蝶阀时, 蝶板的外圆密封表面逐渐接近并挤压阀座使阀座产生弹性变形, 形成的弹性力作为密封比压, 保证密封。

    2025-02-21 江南官方站网页版_江南(中国)

  • 中线蝶阀介绍

    蝶板的回转中心(即阀杆的中心) 位于阀体的中心线和蝶板的密封面截面上, 阀座采用合成橡胶或塑性材料。关闭时蝶板的外圆密封面挤压合成橡胶阀座, 使阀座产生弹性变形而形成弹性力作为密封比压, 保证蝶阀的密封。

    2025-02-21 江南官方站网页版_江南(中国)

上一页123456下一页 转至第
首页
产品
新闻
联系